今天為大家介紹的是——新型污水凈化一體提升泵,希望對大家有所幫助。
新型涉及水泵技術領域,尤其是一種新型污水凈化一體提升泵,其特征在于,包括:隔渣室、隔渣板、隔污室、隔污板、出水管、隔污板、隔污室、隔渣板、隔渣室、進水管、排污管、排渣管、排污桶、排渣桶、排渣信號、凈水泵、提水泵、進管、排渣管、排污管、排渣信號、排渣桶、排污桶、提升泵、凈化泵、通管閥、連接管、接管、連管、連通管、啟閉閥、污水箱、污水箱、凈化網、過濾網、彎頭、彎管,所述一種新型污水凈化一體提升泵,在污水箱上設有隔渣板,在污水箱內分出隔渣室,在隔渣室下端的排渣管下端設有排渣桶,污水分離后通過凈化網被凈化泵凈化,污水通過凈化泵后變成達標準水排放。

權利要求書
1.一種新型污水凈化一體提升泵,其特征在于,包括:隔渣室、隔渣板、隔污室、隔污板、出水管、隔污板、隔污室、隔渣板、隔渣室、進水管、排污管、排渣管、排污桶、排渣桶、排渣信號、凈水泵、提水泵、進管、排渣管、排污管、排渣信號、排渣桶、排污桶、提升泵、凈化泵、通管閥、連接管、接管、連管、連通管、啟閉閥、污水箱、污水箱、凈化網、過濾網、彎頭、彎管,所述一種新型污水凈化一體提升泵,在污水箱上設有進管,在進管的污水箱上設有隔污渣的隔渣板,所述隔渣板在污水箱內分出過濾污渣水的隔渣室,在隔渣室下端設有排除污渣的排渣管,在排渣管下端設有盛裝污渣的排渣桶。
說明書
一種新型污水凈化一體提升泵
技術領域
本實用新型涉及水泵技術領域,尤其是一種新型污水凈化一體提升泵。
背景技術
傳統污水泵技術難以處理飯店、食堂、餐廳、廚房的廢污物污水,而且飯店、食堂、餐廳、廚房的廢污物污水容易堵塞下水道,造成新的污染。
發明內容
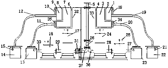
為解決上述問題,本實用新型提供一種新型污水凈化一體提升泵,所述一種新型污水凈化一體提升泵,其特征在于,包括:隔渣室1、隔渣板2、隔污室3、隔污板4、出水管5、隔污板6、隔污室7、隔渣板8、隔渣室9、進水管10、排污管11、排渣管12、排污桶13、排渣桶14、排渣信號15、凈水泵16、提水泵17、進管18、排渣管19、排污管20、排渣信號21、排渣桶22、排污桶23、提升泵24、凈化泵25、通管閥26、連接管27、接管28、連管29、連通管30、啟閉閥31、污水箱32、污水箱33、凈化網34、過濾網35、彎頭36、彎管37,所述一種新型污水凈化一體提升泵,在污水箱33上設有進管18,在進管18的污水箱33上設有隔渣板2,所述隔渣板2在污水箱33內分出隔渣室1,在隔渣室1下端設有排渣管19,在排渣管19下端設有排渣桶22,在排渣桶22上端設有排渣信號21,所述在隔渣室1外的污水箱33上設有隔污板4,隔污板4在污水箱33內形成隔污室3,在隔污室3下端設有凈化網34,在凈化網34上設有排污管20,在排污管20下端設有排污桶23,排污桶23上設有連接管27,在連接管27上設有凈化泵25,凈化泵25上設有接管28,在接管28上提升泵24,在提升泵24上設有彎頭36,在彎頭36上端設通管閥26,在通管閥26上端出水管5。
所述一種新型污水凈化一體提升泵,在污水箱32上設有進水管10,在進水管10的污水箱32上設有隔渣板8,所述隔渣板8在污水箱33內分出隔渣室9,在隔渣室9下端設有排渣管12,在排渣管12下端設有排渣桶14,在排渣桶14上端設有排渣信號15,所述在隔渣室9外的污水箱32上設有隔污板6,隔污板6在污水箱32內形成隔污室7,在隔污室7下端設有過濾網35,在過濾網35上設有排污管11,在排污管11下端設有排污桶13,排污桶13上設有連通管30,在連通管30后端設有凈化泵16,凈化泵16上設有連管29,在連管29后端設有提水泵17,在提水泵17上設有啟閉閥31,在啟閉閥31上設有彎管37,在彎管37上端設通管閥26,在通管閥26上端出水管5。
所述一種新型污水凈化一體提升泵的工作流程:當污水從進管18流入污水箱33,其污水首先進入隔渣室1,污水通過隔渣板2時,所述隔渣板2將污水中渣質從中過濾出,過濾出渣質放入隔渣室1外的排渣管19,通過排渣管19直接排入排渣桶22,當排渣桶22內渣質滿足排渣信號21時,就通知排放,經過渣質過濾的污水從隔渣板2進入隔污室3,隔污板4將污水分離,污水分離后通過凈化網34將污留在隔污室3內,污水通過凈化網34上的排污管20,進入排污管20下端的排污桶23,在排污桶23上通過連接管27,被凈化泵25凈化,凈化泵25凈化后通過接管28,被提升泵24沿彎頭36,通過彎頭36上端設通管閥26從上端出水管5流出,其流出的污水通過凈化泵25后變成達標準水排放。
所述一種新型污水凈化一體提升泵,當污水從進水管10流入污水箱32,其污水首先進入隔渣室9,污水通過隔渣板8時,所述隔渣板8將污水中渣質從中過濾出,過濾出渣質放入隔渣室9外的排渣管12,通過排渣管12直接排入排渣桶14,當排渣桶14內渣質滿足排渣信號15時,就通知排放,經過渣質過濾的污水從隔渣板8進入隔污室7,隔污板6將污水分離,污水分離后通過過濾網35將污留在隔污室7內,污水通過過濾網35上的排污管11,進入排污管11下端的排污桶13,在排污桶13上通過連通管30,被凈化泵16凈化,凈化泵16凈化后通過連管29,被提水泵17通過啟閉閥31沿彎管37,通過彎管37上端設通管閥26從上端出水管5流出,其流出的污水通過凈化泵25后變成達標準水排放,啟閉閥31是根據需要進行,當只有一邊需要時,可以隨時開關啟閉閥31,方便使用。
本實用新型的有益效果是:1.無廢污物污水,不會堵塞下水道,造成新的污染。2.提高了出水響應速度和出水量;3.提高泵的效率和穩定性。

污水處理設備聯系方式:
銷售熱線:010-8022-5898
手機號碼:186-1009-4262