地下水 處理系統及地下水井,其中地下水水井包括井體,在井體外套不銹鋼管,該不銹鋼管的位于地下的深度為30‑40m,該不銹鋼管的上端高出井體的井口,其下端與井體的井底之間有距離,在不銹鋼管外設置層水泥固井層,在層水泥固井層外套第二不銹鋼管,該第二不銹鋼管的上端也高出井體的井口,其地下深度為5‑7m,在該第二不銹鋼管外設置第二層水泥固井層,不銹鋼管、層水泥固井層、第二不銹鋼管、第二層水泥固井層和井口的頂端密封。無需添加任何添加劑,無需臭氧殺菌,便能達到國家優質飲用水標準,無任何細菌、無溴酸鹽。能有效去除鐵錳。
摘要附圖

權利要求書
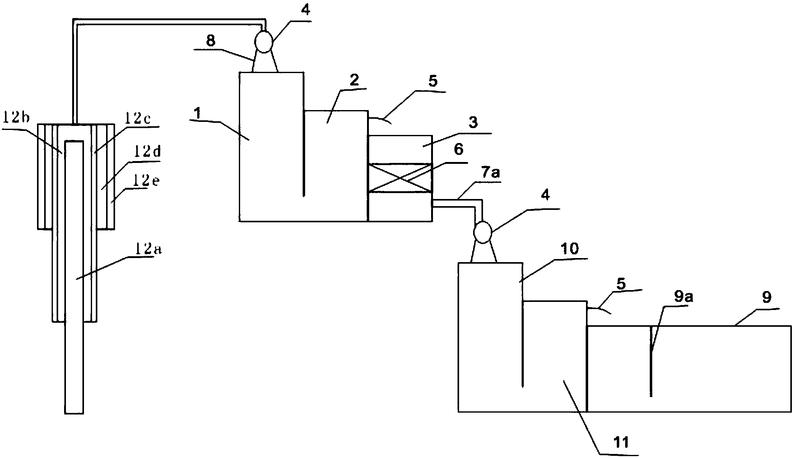
1.一種地下水水井,包括井體(12a),在所述井體(12a)外套不銹鋼管(12b),該不銹鋼管(12b)的位于地下的深度為30-40m,該不銹鋼管(12b)的上端高出井體(12a)的井口,其下端與井體(12a)的井底之間有距離,在不銹鋼管(12b)外設置層水泥固井層(12c),在層水泥固井層(12c)外套第二不銹鋼管(12d),該第二不銹鋼管(12d)的上端也高出井體(12a)的井口,其地下深度為5-7m,在該第二不銹鋼管(12d)外設置第二層水泥固井層(12e),所述不銹鋼管(12b)、層水泥固井層(12c)、第二不銹鋼管(12d)、第二層水泥固井層(12e)和井口的頂端密封。
2.一種地下水處理系統,其特征在于:包括權利要求1所述的水井和地上處理部分,所述地上處理部分包括曝氣跌落池(1)、內沉池(2)和錳砂沉淀池(3),所述曝氣跌落池(1)的高度高于內沉池(2),所述內沉池(2)的高度高于錳砂沉淀池(3),所述曝氣跌落池(1)的上方設置有噴射曝氣管(4),所述噴射曝氣管(4)上設置有若干噴水口,從水井中抽出的水進入噴射曝氣管(4),然后從噴射曝氣管(4)噴出跌落到曝氣跌落池(1)中,所述曝氣跌落池(1)的底部與內沉池(2)的底部連通,所述曝氣跌落池(1)內的水從底部進入內沉池(2),所述內沉池(2)至少一側的側壁的高度低于其進水側的側壁的高度,在內沉池(2)高度較低的側壁上設置有弧形曝氣板(5),該弧形曝氣板(5)伸到錳砂沉淀池(3)的上方,所述沉淀池(2)內的水翻過弧形曝氣板(5)跌落到錳砂沉淀池(3)內,所述錳砂沉淀池(3)的中部設置有錳砂填料(6)。
3.根據權利要求2所述地下水處理系統,其特征在于:還包括緩沖池(7),所述錳砂沉淀池(3)的底部與緩沖池(7)的底部連通,所述緩沖池(7)的下部設置有地下水出水管道(7a)。
4.根據權利要求2所述地下水處理系統,其特征在于:所述曝氣跌落池(1)、內沉池(2)、錳砂沉淀池(3)從后到前依次并排設置,所述內沉池(2)的前側壁的高度低于其它三側的側壁高度,所述弧形曝氣板(5)設置在內沉池(2)的前側壁的頂端。
5.根據權利要求4所述地下水處理系統,其特征在于:所述錳砂沉淀池(3)內靠近左側的位置設置有縱向隔板(3a),縱向隔板(3a)左側的腔室為緩沖池(7),右側的腔室內設置有錳砂填料(6)。
6.根據權利要求2-5任一項所述地下水處理系統,其特征在于:所述噴射曝氣管(4)通過噴射曝氣管支架(8)安裝在曝氣跌落池(1)的上方。
7.根據權利要求6所述地下水處理系統,其特征在于:所述錳砂沉淀池(3)的側壁上還設置有溢流口。
8.根據權利要求7所述地下水處理系統,其特征在于:還包括飲用水暫存池(9)、飲用水二次曝氣跌落池(10)和二次內沉池(11),所述飲用水二次曝氣跌落池(10)的上方也設置有噴射曝氣管(4),所述飲用水二次曝氣跌落池(10)的底部與二次內沉池(11)的底部連通,所述二次內沉池(11)內的水還是翻過設置在二次內沉池(11)側壁上的弧形曝氣板(5)進入飲用水暫存池(9)內,設置弧形曝氣板(5)的側壁的高度低于其它側的側壁高度。
9.根據權利要求8所述地下水處理系統,其特征在于:所述飲用水暫存池(9)內靠近二次內沉池(11)設置有縱向阻隔板(9a),該縱向阻隔板(9a)與飲用水暫存池(9)的底部之間有距離。
10.根據權利要求9所述地下水處理系統,其特征在于:所述飲用水暫存池(9)的下部設置有出水口,上部設置有溢流口。
說明書
地下水水井及地下水處理系統
技術領域
本發明涉及一種地下水處理系統,本發明還涉及地下水水井,屬于飲用水處理領域。
背景技術
目前,飲用水殺菌、除鐵錳的處理技術主要采用的是臭氧技術,如德國慕尼黑市的DOHNE水廠的處理工藝為:
井水或河水經過預臭氧、混凝、沉淀、臭氧接觸池、過濾、生物活性巖然后加入氧化銨、消毒得到產品。
目前國內包裝飲用水行業均使用該工藝流程。
但是由于臭氧的介入,飲用水中又產生了一種新的物質—溴酸鹽,溴酸鹽受熱后易分解。溴酸鹽在上被認定為2B級的潛在致癌物質,是礦泉水以及純凈水等水源經過臭氧消毒后所生成的副產物。
由于國家飲用水標準對菌落總數要求非常嚴格,因此,臭氧消毒被眾多飲用水行業采納。但是長期使用臭氧,或者臭氧濃度過高,致使無數包裝飲用水企業市場檢測中不合格。
該工藝沒有專門的除鐵除錳的工藝,鐵和錳在地下(井)水中幾乎同時存在,水中含鐵量較高時,水有鐵腥味,影響水的口感。鐵和錳是生物必須的元素,但是鐵和錳過量會對人類的生產和生活帶來嚴重的危害。
長期服用含鐵錳高的地下水還會導致慢性中毒而引發地方病,鐵在人體內會損害胰腺(導致糖尿病)、肝臟(肝硬化)、皮膚、體內過多的鐵質也會增加傳染病的感染。人體內含鐵量超過正常的10-20倍,就會出現慢性中毒,導致的疾病主要有肝硬化、肋骨鈣化、糖尿病。人體攝入過量的錳早期頭暈頭痛、記憶力減退、情緒不穩定,晚期則出現肌肉僵直,肢體震顛、發燒、呼吸困難,長期接觸錳還會引起中樞神經系統、呼吸系統方面的疾病。
近百年來,飲用水除鐵除錳機制和工程一直是一個難以突破的熱點研究課題,目前,世界包裝飲用水行業還沒有一例通過介質,完全穩定達到行業標準的企業。
發明內容
為了解決上述技術問題,本發明的目的在于提供一種地下水水井,該水井能有效阻止地表水中的各種污染物的滲入。本發明的第二目的在于提供一種地下水處理系統,該系統不需要臭氧殺菌,能夠有效去除地下水中的錳鐵,避免藻類植物的繁衍。
為了實現上述目的,本發明的技術方案如下:一種地下水水井,包括井體,在所述井體外套不銹鋼管,該不銹鋼管的位于地下的深度為30-40m,該不銹鋼管的上端高出井體的井口,其下端與井體的井底之間有距離,在不銹鋼管外設置層水泥固井層,在層水泥固井層外套第二不銹鋼管,該第二不銹鋼管的上端也高出井體的井口,其地下深度為5-7m,在該第二不銹鋼管外設置第二層水泥固井層,所述不銹鋼管、層水泥固井層、第二不銹鋼管、第二層水泥固井層和井口的頂端密封。
將水井通過以上處理后,能有效避免地表水中各種污染物的滲入,井水經重慶市疾控中心檢測,大腸菌群(MPN/100ml):0,糞鏈球菌(CFU/250ml):0,銅綠假單胞菌(CFU/250ml):0,產氣夾膜梭菌(CFU/50ml):0。
為了實現上述第二目的,本發明的技術方案為:一種地下水處理系統,其特征在于:包括權利要求1所述的水井和地上處理部分,所述地上處理部分包括曝氣跌落池、內沉池和錳砂沉淀池,所述曝氣跌落池的高度高于內沉池,所述內沉池的高度高于錳砂沉淀池,所述曝氣跌落池的上方設置有噴射曝氣管,所述噴射曝氣管上設置有若干噴水口,從水井中抽出的水進入噴射曝氣管,然后從噴射曝氣管噴出跌落到曝氣跌落池中,所述曝氣跌落池的底部與內沉池的底部連通,所述曝氣跌落池內的水從底部進入內沉池,所述內沉池至少一側的側壁的高度低于其進水側的側壁的高度,在內沉池高度較低的側壁上設置有弧形曝氣板,該弧形曝氣板伸到錳砂沉淀池的上方,所述沉淀池內的水翻過弧形曝氣板跌落到錳砂沉淀池內,所述錳砂沉淀池的中部設置有錳砂填料。
采用上述方案,抽上來的地下水進入曝氣管,從曝氣管的噴水口噴出,水在跌落到曝氣跌落池的過程中,充分與空氣中的氧接觸,讓空氣中的氧氣將鐵錳氧化,鐵被氧化成三價鐵沉淀,水跌落到曝氣跌落池中,從底部流到內沉池,只有當內沉池的水位高度達到其較低側壁的高度后,水才會經過弧形曝氣板進入錳砂沉淀池。在這個過程中,三價鐵固體顆粒能得到有效的沉淀。上清液在翻過弧形曝氣板時,形成瀑布,在這個過程中,又充分曝氣,充分氧化,比較后進入錳砂沉淀池。經過錳砂過濾,出來的水,鐵錳的檢測值小于0.01mg/L,國家礦泉水錳鐵飲用標準是0.4mg/L,歐美標準是0.05mg/L。
上述方案中:還包括緩沖池,所述錳砂沉淀池的底部與緩沖池的底部連通,所述緩沖池的下部設置有地下水出水管道。當需要對錳砂填料進行反沖洗時,從地下水出水管進水。
上述方案中:所述曝氣跌落池、內沉池、錳砂沉淀池從后到前依次并排設置,所述內沉池的前側壁的高度低于其它三側的側壁高度,所述弧形曝氣板設置在內沉池的前側壁的頂端。節省占地面積。
上述方案中:所述錳砂沉淀池內靠近左側的位置設置有縱向隔板,縱向隔板左側的腔室為緩沖池,右側的腔室內設置有錳砂填料。
上述方案中:所述噴射曝氣管通過噴射曝氣管支架安裝在曝氣跌落池的上方。噴射曝氣管支架固定在曝氣跌落池的池壁的頂端。
上述方案中:所述錳砂沉淀池的側壁上還設置有溢流口。當錳砂沉淀池里的水滿后,從溢流口流出。
上述方案中:還包括飲用水暫存池、飲用水二次曝氣跌落池和二次內沉池,所述飲用水二次曝氣跌落池的上方也設置有噴射曝氣管,所述飲用水二次曝氣跌落池的底部與二次內沉池的底部連通,所述二次內沉池內的水還是翻過設置在二次內沉池側壁上的弧形曝氣板進入飲用水暫存池內,設置弧形曝氣板的側壁的高度低于其它側的側壁高度。讓處理完后的飲用水再充分曝氣氧化。
上述方案中:所述飲用水暫存池內靠近二次內沉池設置有縱向阻隔板,該縱向阻隔板與飲用水暫存池的底部之間有距離。
上述方案中:所述飲用水暫存池的下部設置有出水口,上部設置有溢流口。
有益效果:本發明設計的地下水處理系統,無需添加任何添加劑,無需臭氧殺菌,便能達到國家優質飲用水標準,無任何細菌、無溴酸鹽。通過讓水僅通過充分曝氣、沉淀后經錳砂過濾達到去除鐵錳的目的,無需任何添加,除錳除鐵效果好,處理后水中鐵錳含量低,水中無藻類植物繁衍。

污水處理設備聯系方式:
銷售熱線:010-8022-5898
手機號碼:186-1009-4262
污水處理欄目網址:http://m.ah12355.cn/ws/